3 minut/y čtení (640 slov)
Doporučené

Solární ohřev TUV s elektrickým dohřevem

Solární ohřev vody s elektrickým dohřevem Solární systém s elektrickým dohřevem

Největší úspora: přechod z elektrického bojleru na solár

  • Přechod z elektrikou ohřívaných zásobníků vody bývá mezi klienty nejčastější. Důvodem je vysoká úspora nákladů, které docílíte změnou způsobu ohřevu vody solárním systémem.
  • Většina zákazníků využívá k ohřevu vody v rodinných domech levnější sazbu s nočním proudem, zpravidla označenou dodavateli elektrické energie D25d. Tato sazba Vám zůstane i při přechodu na solární systém, neboť ten je alternativně dohříván elektrickou topnou patronou

Získáte tak výhodu, kdy k ohřevu TUV budete užívat převážně sluneční energii a zároveň lze využívat nízký tarif na všechny spotřebiče domácnosti. Elektrická topná patrona dohřívá solární zásobník v období kdy je nedostatek slunečního svitu a solární kolektory nepokrývají svým výkonem požadavky na potřebu TUV rodinného domu. 

Ohřev elektrickým bojlerem nedává smysl

  • V dnešní době je ohřev vody pomocí elektriky rozmar. Je to největší hýření a bojler se stává největším žroutem elektrické energie v domácnosti. Postupem doby se solární panely k ohřevu vody staly běžným vybavením rodinných domů. Instalace celého solárního systému je otázkou doslova pár hodin. Nainstalovali jsem tisíce m2 solárních kolektorů a díky našich produktům takto spoří stovky domácností po celé ČR.
  • Solární kolektory dokáží uspořit až 75% nákladů na ohřev vody. Úspora je veliká a návratnost celé investice zvýhodní i nejrůznější dotační tituly ze kterých lze na solární ohřev čerpat peníze. Aktuálně běží program Nová zelená úsporám, který aktivně podporuje výstavbu solárních systémů na ohřev vody částkou 35.000,- Kč. Pořízením solárního systému získáte značné úspory a takto naspořené peníze můžete investovat výhodněji dle vašich potřeb. 

Od elektrických bojlerů pryč. Solární systém vám ušetří spoustu peněz.

Dá se použít stávající bojler nebo potřebuji nový?

Solární zásobník s elektrickou patronou
  • Váš stávající elektrický bojler se demontuje a nahradí solárním zásobníkem, který má výměník na solární kolektory.
  • Tepelný výkon solárních kolektorů je sveden do výměníku umístěného při spodní části nového bojleru. Solární regulace dává pokyn k sepnutí čerpadla na základě rozdílu teplot mezi solárními panely (čidlo TS1) a čidlem umístěným v jímce zásobníku TS2. Solární čerpadlová jednotka zajistí cirkulaci nemrznoucí směsi mezi kolektory a zásobníkem, dokud nedojde k jeho celkovému ohřátí na požadovanou teplotu, nebo teplota na kolektorech neklesne pod požadovanou hodnotu. Tímto způsobem dochází k ohřevu vody solárními kolektory.
  • Elektrická topná patrona se umísťuje zpravidla do 1/2 výšky solárního zásobníku. Toto umístění patrony zajistí, že dojde k nahřátí pouze horní poloviny solárního zásobníku a v případě, že následovně bude dostatek slunečního svitu, solární kolektory ohřejí bojler v celém jeho objemu. Umístění elektrické topné patrony ve středu zásobníku má významný vliv na správné dimenzování solárního systému. Regulace elektrické topné patrony je zajištěna termostatem s nastavitelnou požadovanou teplotou. Výkon elektrické topné patrony je nejčastěji v rozmezí 2 až 5 kW, v závislosti na velikosti zásobníku vody. Patrona je opatřena ochrannou tepelnou pojistkou, která zajistí odpojení od elektrické energie v případě závady na provozním termostatu patrony.
  • Zpravidla se při instalaci solárního systému volí solární zásobníky vody o 1.5 až 2 x větším objemu, než doposud Vámi užívaný elektrický bojler. Jen tak lze zajistit co největší míru úspory elektrické energie, komfort v dostatku TUV a podpořit nejlepším možným způsobem návratnost investice do solárního systému.  

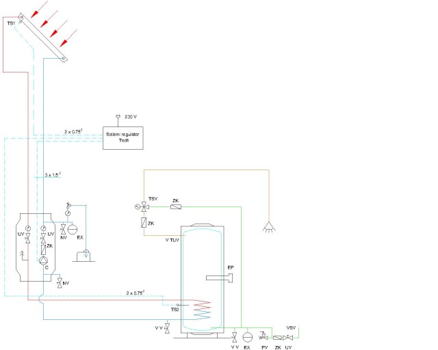
Schéma: solární ohřev TUV s elektrickým dohřevem

Schéma zapojení solárního ohřev TUV s elektrickou patronou

Níže uvedené schéma ilustruje možnost zapojení solárního systému k ohřevu TUV k Vašemu rozvodu teplé užitkové vody.

Obrázek obsahuje pouze schématické znázornění jednotlivých částí zařízení bez nároků na úplnost. Ke stažení v pdf: Schéma zapojení solárního systému

V TUV Výstup teplé užitkové vody
ZK Zpětná klapka
TSVTermostatický směšovací ventil
EPElektrická topná patrona s termostatem
EXExpanzní nádoba
VSVVstup studené vody
NVNapouštěcí a vypouštěcí ventil
VVVypouštěcí ventil
UVUzavírací ventil
PVPojistný ventil
CSolární oběhové čerpadlo
TS1Teplotní čidlo kolektoru
TS2Teplotní čidlo nádrže
Bakterie Legionella - malá mrška
Co je to Solar Keymark?

Související Články