3 minut/y čtení (630 slov)
Doporučené

Solární ohřev a kotel na tuhá paliva

Solární ohřev a kotel na tuhá paliva Na jaře a v létě ohřeje vodu solár, v zimě kotel

Máte kombinovaný bojler a chcete ohřívat vodu soláry?

  • Pokud vlastníte kotel na tuhá paliva budete pravděpodobně ohřívat vodu v kombinovaném bojleru. Je známá věc, že ohřev vody je největší žrout energie, takže spousta rodinných domů ohřívá vodu v topnou sezónu kotlem. Aby se zbytečně nevyhazovaly peníze spousta z nás ohřívá vodu kotlem i přes léto a tento způsob ohřevu vody jim již nevyhovuje. Dává to smysl, venku svítí slunce, že se tam nedá vydržet a někteří topí do kotle, aby si ohřáli vodu, protože dřevo je pořád ještě levnější než elektrika. Takhle to ale nejde do nekonečna. Samozřejmě, že kombinované zásobníky mají integrovanou elektrickou patronu, přesto lidé z úsporných důvodů dávají přednost ohřevu vody celoročně kotlem. 
  • Spousta z vás se na nás už obrátila s žádostí o instalaci solárního systému. O ohřev vody se stará slunce a pro zákazníka je to obrovská, nepopsatelná úleva.

Solární systém dopojíme na váš kotel!

Ohřev vody solárním systémem a kotlem na TP
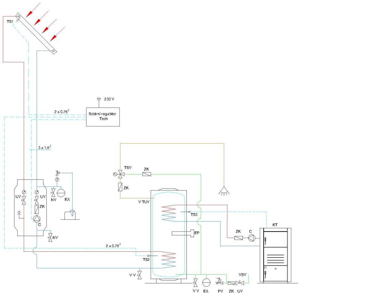
  • Stávající kombinovaný bojler bude demontován a nahrazen solárním zásobníkem se dvěma tepelnými výměníky. Do horního výměníku se napojí tepelný výkon z vašeho stávajícího kotle na tuhá paliva a spodní výměník slouží k ohřevu solárními kolektory
  • Bojler má 2 jímky na snímání teploty. Horní jímka TS3 slouží k umístění teplotního čidla kotle (pokud jím disponuje), spodní pro solární systém
  • Solární zásobníky bývají stacionární, dopojení ke kotli na tuhá paliva je ideální volbou pokud máte systém s nuceným oběhem, čerpadlem. Pokud máte otopný systém na bázi samotíže, je třeba předem toto napojení na solární zásobník řádně navrhnout
  • Další variantou je, že váš stávající kombinovaný bojler zůstane zachován a zvolíme jiné hydraulické propojení. Vše je na konzultaci, kdy s vámi probereme nejvhodnější varianty a způsoby zapojení. Poslední slovo má zákazník, který si vybere jaký způsob mu nejvíce vyhovuje.

Váš kotel v kombinaci se solárním systémem je to nejlepší co může být. Ať už vám solární systém nainstaluje kdokoliv.


Kotel a solár = největší úspora při ohřevu vody

  • Úspora solárních zásobníků napojených na solární kolektory a kotel na tuhá paliva bývá nejvýraznější, neboť se zcela vyhnete ohřevu vody elektrickým proudem. Období kdy solární systém ohřívá vodu a vy topíte kotlem na tuhá paliva se překrývají, získáte tím tak co největší možnou úsporu v podobě dřeva, uhlí, pelet apod.
  • Solární regulace dává pokyn k sepnutí čerpadla na základě rozdílu teplot mezi solárními kolektory (čidlo TS1) a čidlem umístěným v jímce zásobníku TS2. Solární čerpadlová jednotka zajistí cirkulaci nemrznoucí kapaliny mezi kolektory a zásobníkem, dokud nedojde k jeho celkovému ohřátí na požadovanou teplotu, nebo teplota na kolektorech neklesne pod požadovanou hodnotu.
  • Solární kolektory zvyšují svůj výkon se zvyšující se intenzitou slunečního záření.
  • Solární systémy ohřívají vodu v dostatečném množství zpravidla již od března, kdy stále ještě topíte. Teplá užitková voda je tak už zcela ohřátá, v opačném případě kotlem na tuhá paliva pouze dohřejete vodu na požadovanou teplotuStejně tak je schopen solární systém dostatečně ohřívat vodu i v období začátku topné sezóny, čímž opět razantně snížíte náklady na vytápění
  • Zásobník vody může být opatřen i elektrickou topnou patronou, pokud o to zákazník projeví zájem.

Schéma: solární ohřev TUV a kotel na tuhá paliva

  • Níže uvedené schéma znázorňuje zapojení solárního systému ohřevu vody v kombinaci s kotlem na tuhá paliva.
  • Obrázek obsahuje pouze schématické znázornění jednotlivých částí zařízení bez nároků na úplnost.

Ke stažení zde: schéma solární ohřev a kotel

V TUVVýstup teplé užitkové vody
ZKZpětná klapka
TSVTermostatický směšovací ventil
EPElektrická topná patrona s termostatem
EXExpanzní nádoba
VSVVstup studené vody
NVNapouštěcí a vypouštěcí ventil
VVVypouštěcí ventil
UVUzavírací ventil
PVPojistný ventil
CSolární oběhové čerpadlo
TS1Teplotní čidlo kolektoru
TS2Teplotní čidlo nádrže
TS3Teplotní čidlo kotle 
KTKotel na tuhá paliva
ČR podporuje solární ohřev vody
Automatický režim chrání solární systém

Související Články