Solární ohřev vody a kotel na tuhá paliva: dokonalá kombinace pro maximální úsporu
Kombinace solárního ohřevu vody a kotle na tuhá paliva patří k nejúspornějším řešením pro domácnosti. Solární kolektory ohřívají vodu od jara do podzimu zdarma a v zimních měsících se o dohřev postará kotel. Díky tomu výrazně snižujete spotřebu dřeva, uhlí i elektřiny a získáváte komfortní a spolehlivý celoroční ohřev TUV s minimálními provozními náklady.
Na jaře a v létě ohřívá vodu solární systém, v zimě kotel
Pokud máte kotel na tuhá paliva a používáte kombinovaný bojler, pravděpodobně ohříváte teplou vodu právě kotlem. Je známým faktem, že ohřev TUV je jeden z největších žroutů energie v domácnosti, a proto mnoho rodin v topné sezóně ohřívá vodu kotlem, aby ušetřilo.
Problém nastává v létě.
Slunce praží, venku je horko — a mnoho lidí stále přikládá do kotle jen kvůli ohřevu vody. Často proto, že:
- dřevo je levnější než elektřina,
- kombinovaný bojler má topnou patronu, ale lidé ji z ekonomických důvodů nevyužívají,
- nechce se jim „zbytečně platit proud“.
Jenže kotel v létě = teplo v domě, nepohodlí, přikládání, přetápění kotelny.
A právě tady přichází ideální řešení:
Solární systém ohřeje vodu ZDARMA – a kotel zůstane jen jako zimní dohřev.
Solární systém jednoduše dopojíme na váš kotel

Jak to probíhá?
- Stávající kombinovaný bojler se demontuje.
- Nahrazuje se solárním zásobníkem se dvěma výměníky:
- horní výměník – připojen ke kotli na tuhá paliva,
- spodní výměník – připojen k solárním kolektorům.
- Do jímek zásobníku se osadí teplotní čidla (TS1, TS2, TS3).
- Solární regulace řídí, zda se má ohřívat soláry nebo kotlem.
Pokud máte nucený oběh s čerpadlem, zapojení je zcela bezproblémové.
Pokud máte samotíž, je nutný správný návrh, aby cirkulace fungovala.
Alternativní řešení
Pokud si přejete zachovat stávající kombinovaný bojler, lze navrhnout i jiné hydraulické propojení. Během konzultace navrhneme více možností a vy si zvolíte tu nejvhodnější.
Kotel + solární systém = největší možná úspora
Kombinace kotle na tuhá paliva a solárního systému je energeticky i ekonomicky nejvýhodnější varianta, protože:
- téměř se eliminuje potřeba elektrického ohřevu TUV,
- solární systém ohřívá vodu od března do října,
- v období, kdy ještě topíte, soláry už výrazně pokrývají ohřev TUV,
- na začátku topné sezony soláry znovu zčásti ohřívají vodu.
Výsledek:
Ušetříte dřevo, uhlí, pelety i elektřinu.
Jak funguje regulace solárního systému
Solární regulace pracuje na principu rozdílové teploty:
- Čidlo TS1 měří teplotu na solárních kolektorech.
- Čidlo TS2 měří teplotu v zásobníku.
- Pokud je kolektor teplejší než zásobník, regulace sepne čerpadlo.
- Solární čerpadlová jednotka cirkuluje nemrznoucí směs, dokud není zásobník ohřátý.
Solární výkon roste se sluneční intenzitou → a v létě je ohřev téměř 100 % zdarma.
Je možné doplnit i elektrickou patronu pro další dohřev, ale většina zákazníků ji po instalaci solárního systému vůbec nepoužívá.
Výhody kombinace kotle a solárního ohřevu
| Výhoda | Popis |
|---|---|
| Minimální náklady | Od jara do podzimu ohřev vody zdarma. |
| Úspora paliva | V zimě dohříváte méně → nižší spotřeba dřeva/uhlí/pelet. |
| Čistší provoz | V létě nemusíte vůbec zatápět. |
| Komfort | Žádné přikládání kvůli vodě, žádné přetápění kotelny. |
| Dlouhá životnost | Solární systém vydrží 20–30 let. |
| Maximální návratnost | Kombinace se solid fuel kotlem má nejvyšší úspory. |
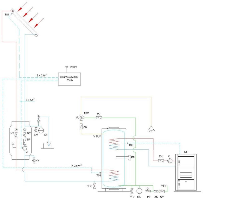
Schéma zapojení: solární systém + kotel na tuhá paliva

Schéma znázorňuje zapojení solárních kolektorů, zásobníku, kotle, čerpadlové jednotky a teplotních čidel TS1–TS3.
Součásti systému:
- V TUV – výstup teplé vody
- ZK – zpětná klapka
- TSV – termostatický směšovací ventil
- EP – elektrická topná patrona
- EX – expanzní nádoba
- VSV – vstup studené vody
- NV, VV – ventily
- PV – pojistný ventil
- C – solární čerpadlo
- TS1, TS2, TS3 – teplotní čidla
- KT – kotel na tuhá paliva
Klíčové informace
| Parametr | Hodnota |
|---|---|
| Typ ohřevu | Kotel + solární systém |
| Využití solárního systému | Jaro–podzim |
| Využití kotle | Zima, dohřev |
| Úspora elektřiny | Až 100 % v létě |
| Úspora paliva | 20–40 % v zimě |
| Doporučený zásobník | Solární 200–300 l |
| Životnost systému | 20–30 let |
Závěr
Kombinace kotle na tuhá paliva a solárního ohřevu vody je nejefektivnější řešení pro domácnosti, které chtějí výrazně snížit náklady na energie a zároveň zvýšit komfort.
Solární systém se postará o ohřev vody od jara do podzimu — a kotel se zapojí jen v zimě.
Výsledkem je maximální úspora, minimum práce a dlouhodobě stabilní provoz.
